Автоматизированный контроль системы электроснабжения

Для торговых и бизнес центров

Инвестиция в надежность, которая окупается меньше чем за год. Стоимость системы АСУ Э начинается от 97 000 рублей в зависимости от сложности проекта

Проблемы, которые стоят вам денег каждый день

Длительный поиск места отключения при авариях

Неконтролируемые отключения автоматов арендаторами

Отсутствие документированной истории переключений

Сложности в восстановлении питания после аварий

Затягивание времени на устранение аварий из-за невозможности быстро локализовать место отключения.

Неконтролируемое отключение автоматов арендаторами вносит хаос в работу всей электросистемы здания.

Отсутствие цифрового журнала переключений делает невозможным проведение аудита и анализа сбоев.

Процесс реактивации электроснабжения после инцидента усложнен и зависит от человеческого фактора.

Решение: автоматизированный контроль электроснабжения, который работает за Вас!

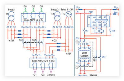
Дистанционный мониторинг состояния ключевых автоматических выключателей на мнемосхеме.

Ведения электронного журнала переключений.

Контроль регламента и безопасности, когда оборудование было отключено для ремонта.

Закажите бесплатную демонстрацию!

Система зафиксирует нарушение и отобразит изменение положения автоматов в реальном времени. Отправит уведомление ответственному лицу. Автоматически внесет запись в журнал переключений с временной меткой.

до 20%

Снижение операционных затрат на электроэнергию

до 12%

Сокращение ложных выездов электромонтеров

до 15%

Снижение потерь от порчи товаров из-за отключения энергии

до 28%

Сокращение времени ликвидации аварий и восстановления питания

Ключевые возможности системы

Контроль несанкционированного доступа и действий
1

Система фиксирует любое изменение положения переключателя с привязкой ко времени.

2

Выявляет случаи, когда арендаторы или сторонний персонал самовольно включают/отключают автоматы.

Актуальная статусная карта всех ключевых АВ
1

Отображение текущего положения всех коммутационных аппаратов на интерактивной мнемосхеме

2

Нет необходимости в физических обходах для составления схемы включения оборудования.

Модуль цифровой документации
1

Модуль формирует электронный наряд-допуск, заменяя бумажные процедуры допуска.

Что вы получаете

Финансовая стабильность

Снижение финансовых рисков, прямых убытков, связанных с порчей имущества.

База для урегулирования спорных вопросов

Доказательная база для урегулирования любых спорных ситуаций по качеству электроснабжения.

Сокращение претензий

Сокращение претензий, штрафов и судебных споров с арендаторами из-за перебоев в электроснабжении.

Повышение сервисного качества

Максимальное сокращение времени простоя.

Оставьте вашу заявку

Если вы не нашли ответ на свой вопрос, свяжитесь с нами, мы будем рады вам помочь.