Автоматизация наружного освещения (АСУНО): снизим расходы на энергоснабжение до 75%
Комплексная система для дистанционного управления, мониторинга и анализа работы каждого уличного светильника. Для городов, ЖКХ и промышленных объектов.
Ежедневные проблемы традиционного освещения
Высокие затраты на электроэнергию
Нет возможности регулировать яркость, управление освещением только вручную (включено/выключено).
Сложность оперативного управления и ремонта
Объезды территории для обнаружения перегоревших светильников могут длиться несколько дней.
Отсутствие точной аналитики для анализа
Нет данных для обоснования модернизации и оптимизации расходов.
Риск для безопасности
Темные улицы из-за несвоевременного включения/выключения освещения.
Человеческий фактор и вандализм
Кража электроэнергии, поломки шкафов управления
Отсутствие гибкости
Освещение работает без учета необходимости (времени суток, погодных условий, наличия людей).
How Video Analytics система
Description and visual representation of the composition of a lighting control system, which includes many modules.
Визуализация работы системы
- Данные со светильников: Датчики, контроллеры.
- Передача данных: По GSM, LoRaWAN, Ethernet.
- Центр управления: Облачное или серверное ПО с картой объекта, графиками, отчетами.
- Управление и аналитика: Диспетчер видит все, управляет всем, получает отчеты.
Примеры мнемосхем от DigiCity
Ключевые выгоды и экономический эффект
Снижение расходов на электроэнергию
Интеллектуальный график работы, диммирование по времени, датчикам освещенности и движения
Reduced operating costs
Точные данные об отказах, удаленная диагностика, планирование ремонтов
Полный контроль и аналитика
Управление с любого устройства, автоматические отчеты для вышестоящих организаций
Повышение безопасности и комфорта в городе
Гарантированное освещение в нужное время в нужном месте в городе.
единая система для максимальной экономии,
надежности и современного управления.
АСУНО для объектов любого масштаба и назначения
Система адаптируется под специфику вашего объекта, обеспечивая максимальную эффективность и экономию ресурсов.
Городская инфраструктура: улицы, площади, парки, дворы, скверы
- Повышение безопасности пешеходов в вечернее и ночное время.
- Сокращение бюджетных расходов на электроэнергию до 70%.
- Автоматическое включение/выключение по графику и датчикам освещенности.
Транспортная инфраструктура: автомагистрали, трассы, тоннели, мосты.
- Гарантированная видимость и повышение безопасности движения.
- Экономия за счет интеллектуального димминга (снижения яркости) в часы низкой интенсивности.
- Мгновенное оповещение о неисправностях на критичных участках.
Промышленность и бизнес: территории заводов, фабрик, складов, офисных парков.
- Освещение по графику работы производства и охраны периметра.
- Снижение эксплуатационных расходов и себестоимости продукции.
- Защита от несанкционированного доступа за счет света
Социальные и общественные объекты: школы, больницы, поликлиники, стадионы.
- Дежурное и полное освещение для обеспечения безопасности.
- Управление сценариями освещения для мероприятий и тренировок.
- Создание благоприятной среды при сокращении затрат.
Module management and accounting
Системы DigiCity поддерживают все каналы беспроводной связи и все типы подключения к светильникам.
Supports all wireless channels
NB-IoT, GSM, LoRa
Supports all types of luminaire connections
NEMA-socket, SR-socket, Коробочное исполнение
Video Analytics System системы АСУНО
Control panel
Control modules
Controller
Expansion module
Модули системы АСУНО
Description and visual representation of the composition of a lighting control system, which includes many modules.
Lighting control panel is intended for:
Automatic, manual or remote control of street lighting networks and lighting installations of industrial buildings, structures, territories of any objects with any light sources (incandescent lamps, DRL, DRI, HPS, fluorescent, etc.).
Automatic control and metering of electricity.
Automatic data transfer to the control center.
Specifications:
Degree of protection: IP 54; IP 65.
Various cabinet options: 50A, 100A, 160A, 250A.
Dimensions: from 600x600x250.
Emergency signaling.
Operating temperature range: from -45°C to +60°C
Scope of delivery:
- DigiCity controller.
- Electric energy meter.
- Power equipment.
- GSM antenna.
Individual luminaire control module:
The device is designed to control the luminous flux of lamps via a wireless network using cloud infrastructure via channels: GSM(3G), LoRa, NB-IoT and XNB.
Control is implemented in automatic mode (according to a schedule/sensor) or manually at the command of a dispatcher, and it is also possible to monitor the state of the luminaires for any accidents via feedback.
The system allows the use of any types of luminaires equipped with drivers with control protocols 0/1-10 or DALI.
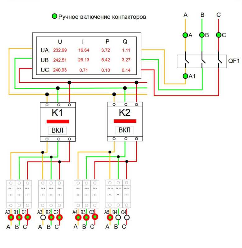
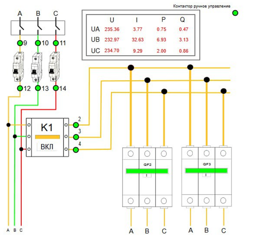
The controller is intended for:
- Control of 4 contactors.
- Setting an individual schedule for each contactor.
- Possibility of connecting several meters to one controller via network synchronization.
- Condition monitoring of 27 control points.
- Setting threshold levels to identify failed luminaires and unauthorized connections.
- Collection of data from meters via RS-485 interface.
- Built-in memory for autonomous operation of the controller according to a schedule in case of loss of the GSM signal.
- Built-in battery with the ability to operate autonomously for up to 60 minutes.
- Remote device firmware update.
- Automatic reboot when frozen.
- Connecting door opening sensors and fire alarms.
- Built-in non-volatile clock with automatic.
The modules are designed to collect data from built-in discrete inputs and transmit them to the RS-485 network.
Mx110 modules are configured on a PC via an RS-485/RS-232 or RS-485/USB interface adapter using the M110 Configurator program included in the delivery kit.
Device Description:
- The built-in inputs can operate in pulse counter mode with a frequency of up to 1 kHz.
- Automatic protocol detection (only for MV110-8DF).
- Removable terminal blocks with captive screws.
- Universal power supply (=24 V or ~230 V).
- Firmware update via RS-485.
- Support for the OwenCloud cloud service (when using the PM210 network gateway).
The DigiCity platform is a universal cloud software product created to manage various services and smart city monitoring systems
The services include an Automated outdoor lighting control system, an Automated electricity control and Metering system, Waste monitoring, Pedestrian crossing management, a Smart Support complex, a Digital Twin, a Smart Enterprise, etc. The digital management and monitoring platform DigiCity has been included in the Register of Russian Software.
Since 2021, the digital management and monitoring platform DigiCity has been included in the Register of Russian Software.
Кейсы и результаты
Умное освещение в Санкт-Петербурге
АСУНО в г.Пушкино
АСУНО в г.Мытищи
АСУНО Стадион МЭИ г. Москва
Казахстан, Костанай
АСУНО г. Тюмень
АСУНО г. Нарофоминск
АСУНО г. Егорьевск
Stages внедрения
- Консультация и аудит: Бесплатный анализ вашего объекта.
- Техническое предложение: Разработка и согласование КП
- Поставка и монтаж: Поставка оборудования, шеф-монтаж
- Пусконаладка и обучение: Запуск системы, обучение персонала
- Техническая поддержка: Гарантийное и постгарантийное обслуживание.
Отзывы клиентов о системе наружного освещения DIGICITY
The DigiCity Automated Outdoor Lighting Control System is recommended for implementation at all facilities of the St. Petersburg State Budgetary Institution "LENSVET".
Выражаем благодарность за успешную реализацию проектов по автоматизации систем управления наружным освещением «DIGICITY» в г. Химки и г. Луганск.
Внедрение АСУНО от “Проэнерджи” значительно повысило безопасность улиц за счет стабильного и адаптивного освещения, а также упростило мониторинг.
Теперь мы точно знаем, где и когда освещение работает неисправно, что снизило расходы на ремонт и обслуживание до 40% благодаря оперативному контролю АСУНО.
АСУНО полностью исключила случаи необоснованного перерасхода электроэнергии и позволила нам централизованно контролировать всё освещение. Простота интеграции и ощутимый результата.
Мы получили не просто систему управления, а инструмент для повышения качества жизни горожан – АСУНО обеспечивает идеальное освещение там, где это нужно.
Остались вопросы?
Получите бесплатную консультацию инженера и расчет стоимости под ваш проект